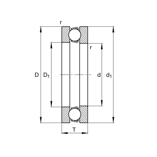
Rodamiento de bolas Fag modelo 51130-MP
171,71€ sin IVA (207,77€ IVA incluido)
ORD21
- Descripción
- Información adicional
Descripción
Rodamiento axial a bolas Fag serie 51000
modelo 51130-MP código 0190611370000
Información adicional
| Dimensiones | 1 × 1 × 1 cm |
|---|























