Rodamiento de bolas Fag modelo 51144-MP
420,54€ sin IVA (508,85€ IVA incluido)
ORD21
- Descripción
- Información adicional
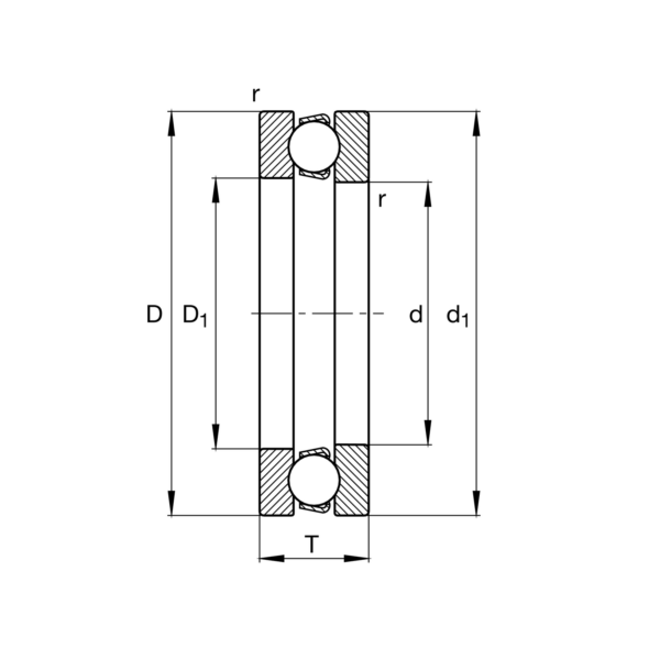
Descripción
Rodamiento axial a bolas Fag serie 51000
modelo 51144-MP código 0190613660000
Información adicional
| Dimensiones | 1 × 1 × 1 cm |
|---|























