Rodamiento de bolas Fag modelo 51224
152,25€ sin IVA (184,22€ IVA incluido)
ORD21
- Descripción
- Información adicional
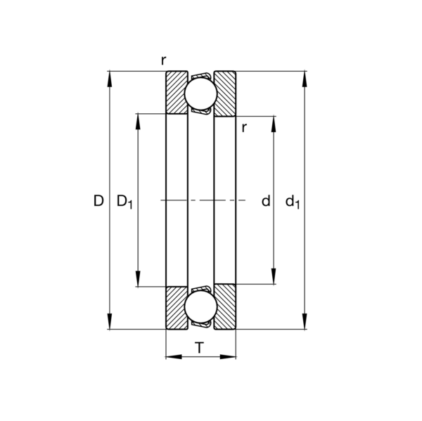
Descripción
Rodamiento axial a bolas Fag serie 51000
modelo 51224 código 0167151950000
Información adicional
| Dimensiones | 1 × 1 × 1 cm |
|---|























