Rodamiento de bolas Fag modelo 51228
304,50€ sin IVA (368,45€ IVA incluido)
ORD21
- Descripción
- Información adicional
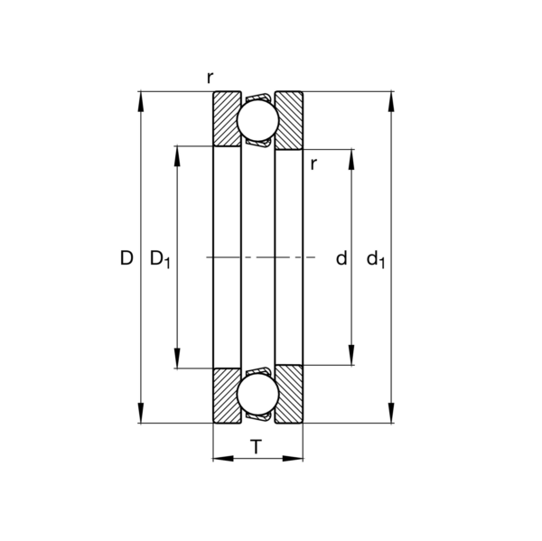
Descripción
Rodamiento axial a bolas Fag serie 51000
modelo 51228 código 0167152170000
Información adicional
| Dimensiones | 1 × 1 × 1 cm |
|---|























