Rodamiento de bolas Fag modelo 51234-MP
450,25€ sin IVA (544,80€ IVA incluido)
ORD21
- Descripción
- Información adicional
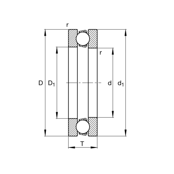
Descripción
Rodamiento axial a bolas Fag serie 51000
modelo 51234-MP código 0167152330000
Información adicional
| Dimensiones | 1 × 1 × 1 cm |
|---|























