Rodamiento de bolas Fag modelo 51240-MP
642,48€ sin IVA (777,40€ IVA incluido)
ORD21
- Descripción
- Información adicional
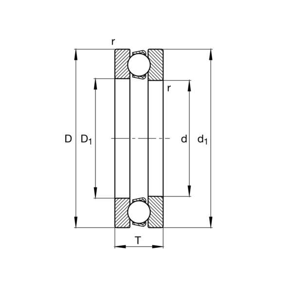
Descripción
Rodamiento axial a bolas Fag serie 51000
modelo 51240-MP código 0167152410000
Información adicional
| Dimensiones | 1 × 1 × 1 cm |
|---|























