Rodamiento de bolas Fag modelo 51412-MP
195,46€ sin IVA (236,51€ IVA incluido)
ORD21
- Descripción
- Información adicional
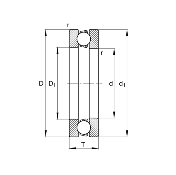
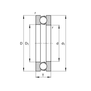
Descripción
Rodamiento axial a bolas Fag serie 51000
modelo 51412-MP código 0388114800000
Información adicional
| Dimensiones | 1 × 1 × 1 cm |
|---|























