Rodamiento de bolas Fag modelo 6015-M-C3
92,28€ sin IVA (111,66€ IVA incluido)
ORD21
- Descripción
- Información adicional
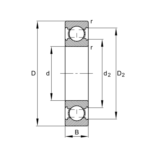
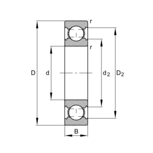
Descripción
Rodamiento rígido a bolas Fag serie 6000
modelo 6015-M-C3 código 0190940430030
Información adicional
| Dimensiones | 1 × 1 × 1 cm |
|---|























